

![]() |



The heater consists of tubular heating elements fitted to a heater frame or mounting flange, and the electrical connection box. All our heaters are
designed and manufactured according to customer's requirements and operating conditions. The material for the electrical connection box is
carbon steel painted or stainless steel. Heating elements material is stainless steel.
A high thermal efficiency is achieved by a specific surface load Pa which is optimized according to the operating conditions. The temperature monitoring to the protection of the heater and compliance with the temperature class are carried out by means of temperature sensors, adjusted to the heating elements, and electro-mechanical switches or electronic monitoring equipment. For the safe operation of the heater, a flow monitor is required as a rule.
Service hotline:
0523-88317000 88318288





Please refer to the below table for ordering. If you need more information, please contact our sales representative for assistance.
You could assist us at answering your enquire, when you give us at least the following data:
?medium, flow rate, inlet and outlet temperature
?required heating capacity, voltage
?air duct dimensions, mounting position
?materials for heating elements, air duct and connection box
?Ex protection: area classification, temperature class
?ambient condition
with flange frame as duct part for installation in heating systems
with flange connections to be mounted into air pipe systems .
Design for high operating temperatures with separate connection
box,cooling distance and support sheet for thermal insulation.
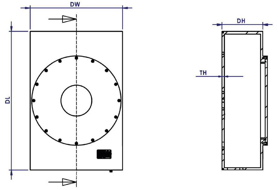
Air heater and ventilator are assembled in air duct housing.
Design variations:
? Wall mounted circulation air heater( 3 to 30 kW)
? Compact type air blower heater
? Circulation air heater for mounting outside of heat
chambers or containers.
|
Please write what you need, we will contact you asap!
Give technical advice within 30 minutes | Provide program design within 24 hours | Send domestic / foreign engineers within 24/72 hours
|
