

![]() |



DWBLCS Air blower heater incorporates a high quality Air heater, high performance fanand motor assembly.
All our heaters are designed and manufactured according to customer's requirements andoperating conditions. The material carbon steel painted or stainless steel. Heatingelements material is stainless steel.
A high thermal efficiency is achieved by a specific surface load Pa which is optimized according to the operating conditions. The temperature monitoring to the protection of the heater and compliance with the temperature class are carried out by means of
temperature sensors, adjusted to the heating elements, and electro-mechanical switches or electronic monitoring equipment. For the safe operation of the heater, a flow monitor
is required as a rule.
Air blower heater are used to heat dangerous gases. Examples include petrochemicals,chemicals and pharmaceuticals, crude oil and gas production, paints, storage, and a wide range of flammable and explosive materials.
Service hotline:
0523-88317000 88318288



Please refer to the below table for ordering. If you need more information, please contact our sales representative for assistance.
You could assist us at answering your enquire, when you give us at least the following data:
?medium, flow rate, inlet and outlet temperature
?required heating capacity, voltage
?air duct dimensions, mounting position
?materials for heating elements, air duct and connection box
?Ex protection: area classification, temperature class
?ambient condition
● Material:
- Cabinet and heater junction box: Stainless steel AISI 316L
- d-enclosure: casted aluminium
- Heating elements: stainless steel AISI 316L, bright annealed
● Frequency: 50/60 Hz
● Degree of protection for control panels: IP66
● Degree of protection for fan motor: IP55,IP65
● Ambient temperature: -40°C to +55°C
● Maximum volume of air at nominal fan speed for:
-Power: 3.5 - 7 - 10.6 kW
3.5kW: 1550/1890 m?/h
7 and 10.6 kW: 2500/3500 m?/h - 50/60Hz
-Power: 11.7 - 15.6 - 19.5 kW
11.7 - 15.6 - 19.5 kW: 3800/4600 m?/h
-Power: 23.4 - 27.3 - 31.2 - 35.1 kW
23.4 - 27.3 - 31.2 - 35.1 kW:r: 4800/6800m?/h
The air heaters serve for heating of air in hazardous areas, e.g. in production or storage halls or containers.
Installation and fixing at the wall has to be effected in vertical position. For air flow from the bottom, sufficient space has to be allowed.
Electrical connection to be made acc. EN 60079-14 section 9 with cable cross section acc. to the rated current .
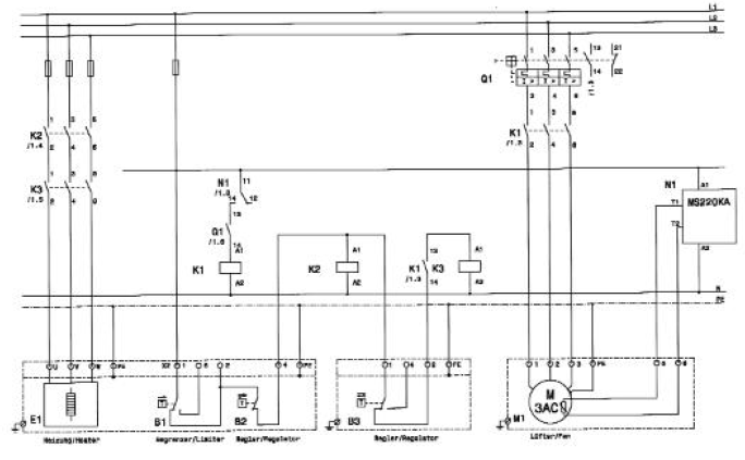
Wiring according to proposal as shown below. The motor of the ventilator must only be operated via a series-connected circuit breaker with proven tE-trip characteristic.
On demand we can supply the complete control board in explosion proof execution or for installation in safe areas.
Wiring Proposal and Accessories
Examples1
Examples2



|
Please write what you need, we will contact you asap!
Give technical advice within 30 minutes | Provide program design within 24 hours | Send domestic / foreign engineers within 24/72 hours
|
